Knowledge

D4/D6 Design and Function Manual

D4/D6 Design and Function Manual

D4/D6 Design and Function Manual
Read more
D4/D6 Service & Maintenance Workshop Manual - abridged.

D4/D6 Service & Maintenance Workshop Manual - abridged.

Service & Maintenance Manual
Read more
Why you should be running a Diesel additive.

Why you should be running a Diesel additive.

Using an additive that raises the lubricity will diminish the wear on moving parts in...
Read more
High Pressure Common Rail Fuel Injection - Everything you should know.

High Pressure Common Rail Fuel Injection - Everything you should know.

Most of the evolution of the diesel engine has been driven by a need to...
Read more
How To: EVC Throttle Control Lever Rubber Pad Repair

How To: EVC Throttle Control Lever Rubber Pad Repair

One of the most common complaints we see about the Volvo Penta EVC Throttle Controls...
Read more
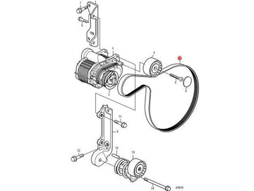
The Infamous Compressor Belt Tensioner (Grenade)

The Infamous Compressor Belt Tensioner (Grenade)

If you have a compressor version of the D4/D6 its important you know a bit...
Read more
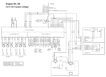
D6/D4 Engine Wiring Diagram

D6/D4 Engine Wiring Diagram

Wiring Diagram for Volvo Penta D6 and D4 Engine. 12V & 24V
Read more
Charge Air Cooler / Aftercooler     Service / Maintenance

Charge Air Cooler / Aftercooler Service / Maintenance

Disclaimer: The use of Charge Air Cooler and Aftercooler are used interchangeably in this article...
Read more
Maintenance - How to get your Volvo Penta Service Protocol

Maintenance - How to get your Volvo Penta Service Protocol

It blows my mind how many times I meet an owner, let alone a technician,...
Read more
EVC - a few tips we've learned.

EVC - a few tips we've learned.

Electronic Vessel Control has developed immensely since it's initial launch. Seeing EVC-C these days feels...
Read more
IPS: Our Opinion

IPS: Our Opinion

One of the most common questions we get regarding the D6 engine is how we...
Read more
D6 Fuel Cooler Issue

D6 Fuel Cooler Issue

  The Fuel Cooler Issue is probably the #1 method of engine failure we encounter with...
Read more